首页
产品中心
液压油缸
液压油泵
液压马达
行走液压阀
工业液压阀
螺纹插装阀
电子驱动技术
气动元件
线性传动技术
系统集成及工业自动化
精密铸件
表面处理与密封技术
行业应用
建筑机械
农林机械
隧道掘进设备
起重搬运机械
矿用机械
海工港口
冶金设备
金属成型
橡塑成型
能源水利
伺服测控
建材与市政装备
走进欧盾
公司简介
企业文化
大事记
人才招聘
多彩欧盾
新闻资讯
公司新闻
欧盾展会
产品新闻
行业动态
联系我们
供应商
合作伙伴
欧盾官方
PRODUCTS
产品中心
首页
/
产品中心
/
螺纹插装阀
/
逻辑阀
/
压力补偿阀
产品分类
液压油缸
工程与建筑机械
矿业与采掘设备
能源与通用科技
海工与港口设备
冶金与金属成型
橡胶注塑与水泥
液压油泵
开式泵
闭式泵
液压马达
轴向柱塞马达
径向柱塞马达
摆线马达
制动器及配件
行走液压阀
多路阀
先导控制
行走机械辅助阀
工业液压阀
单向型阀及隔断阀
单向阀
液控单向阀
梭阀
隔断阀
方向阀
电磁换向阀
电磁换向座阀
手动换向阀
机械换向阀
液动换向阀
隔爆阀
压力阀
溢流阀
减压阀
顺序阀
卸荷阀
流量阀
节流阀
调速阀
平衡阀
比例阀
比例方向阀
比例压力阀
阀用电控放大器、传感器、附件
插装阀
二通高频响比例伺服插装阀
二通插装阀
螺纹插装阀
开关电磁阀
2通
3通
4通
5通
比例电磁阀
比例流量阀
比例溢流阀
比例减压阀
比例换向阀
压力阀
溢流阀
减压阀
顺序阀
方向阀
单向阀
液控单向阀
换向阀
流量阀
节流阀
流量阀
分流集流阀
逻辑阀
梭阀
逻辑阀
压力补偿阀
负载保持阀
电子驱动技术
整车控制器
电机控制器
电机及动力总成
电子泵控制器
运动控制器
气动元件
执行元件
控制元件
气源处理
接头附件
PU管
快插接头
过渡接头
节流阀
单向阀
截止阀
消声器
线性传动技术
电动缸
滚珠丝杠
导轨
系统集成及工业自动化
液压系统集成
海工类
重工类
测试台
自动化设备
液压行业
气动行业
电控行业
通用行业
精密铸件
表面处理与密封技术
密封技术
往复运动产品
旋转运动产品
固定密封产品
表面处理技术
喷焊技术
HVOF超音速喷涂
APS等离子喷涂
激光熔覆技术
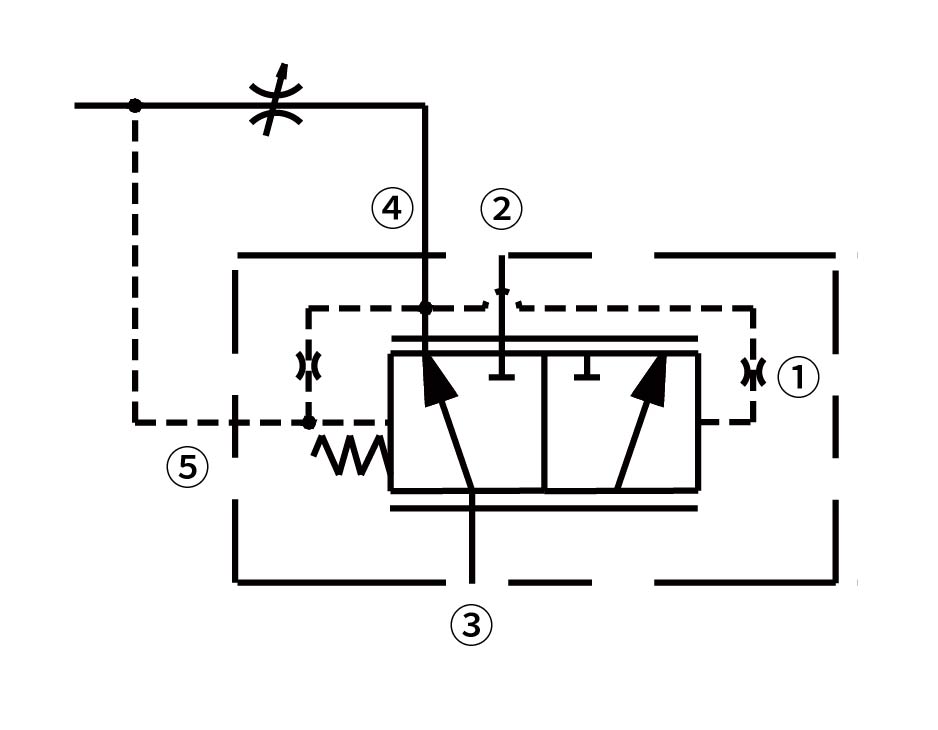
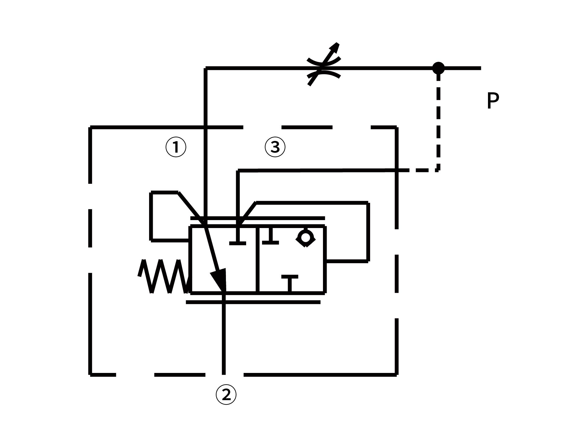
压力补偿阀
30LB10-32 型压力补偿阀
30LB10-32 型压力补偿阀
35LB16-32压力补偿阀
35LB16-32压力补偿阀
35LB12-30压力补偿阀
35LB12-30压力补偿阀
35LB10-42压力补偿阀
35LB10-42压力补偿阀
30LB10-30压力补偿阀
30LB10-30压力补偿阀
50LB58-35压力补偿阀
50LB58-35压力补偿阀
40LB16-52S 型压力补偿阀
40LB16-52S 型压力补偿阀
50LB12-42型 压力补偿阀
50LB12-42型 压力补偿阀
50LB10-S36 型压力补偿阀
50LB10-S36 型压力补偿阀
暂无符合条件的产品